银监发〔2010〕80 号
各省、自治区、直辖市融资性担保机构监管部门:
为建立健全融资性担保行业统计制度,全面、准确、及时地掌握融资性担保行业经营情 况,持续跟踪监测融资性担保业务风险,促进融资性担保业务健康稳定发展,融资性担保业 务监管部际联席会议(以下简称联席会议)办公室研究拟订了《融资性担保行业统计报表制 度》(见附件,以下简称《报表制度》),并已经 2010 年 7 月 23 日联席会议审议通过和国家统计局核准,现印发给你们,并就加强融资性担保行业统计工作的有关事项通知如下:
一、高度重视融资性担保行业统计工作
统计信息是掌握情况、分析问题、制定决策的重要依据。融资性担保行业统计信息对于 完善融资性担保监督管理制度,制定扶持政策,改善外部环境,具有重要意义。当前,融资 性担保行业统计工作十分薄弱,难以满足监管工作和促进行业发展的需要,亟待建立健全统 计制度,制定完善统计报表,推进统计工作的规范化、制度化。
各地监管部门要充分认识加强融资性担保行业统计工作的重要性,切实加强对统计工作 的领导。要根据国家有关法律法规的规定,按照统一规范、准确及时、科学严谨、实事求是 的原则,尽快建立健全本辖区融资性担保行业的统计制度和报表体系,认真做好数据信息的 收集、报送和分析研究工作。
二、抓紧建立本辖区融资性担保行业统计制度和报表体系
各地监管部门要抓紧研究制定本辖区融资性担保行业统计信息的采集、审核、汇总、复 核、分析、报送、存档等制度,明确数据来源、整理方法、报送时限和报送途径。要结合本 辖区融资性担保行业发展的实际情况和监管工作需要,制定本辖区监管统计报表。统计报表 中有关指标的定义、口径和计算方法,应与联席会议对相关统计指标的定义、口径和计算方 法保持衔接和一致。
各地监管部门要指定专人负责统计工作,切实加强对统计工作人员的培训和指导,不断 提高统计工作质量。各地监管部门应对所填报统计报表的完整性、及时性以及数据来源的真 实性负责。
三、认真做好本辖区融资性担保行业统计报表的填报工作
请各地监管部门按照《报表制度》有关要求,认真做好上一年度统计报表的填报工作, 并于每年 2 月 15 日前,以书面形式报送联席会议办公室,同时将统计报表的电子文档通过当地银监局经银监会内网转报联席会议办公室。
四、积极推进统计信息系统建设,认真做好统计分析工作
各地监管部门要在做好日常统计工作的同时,认真做好数据信息的汇总、整理和存档工 作。要加快本辖区融资性担保行业统计信息系统的建设,运用现代信息技术,推进统计工作 的电子化、网络化和标准化,夯实统计信息管理的基础。
各地监管部门要把统计工作作为融资性担保机构监管工作的重要组成部分,尽快建立健 全本辖区融资性担保行业非现场监管工作机制,加强本辖区融资性担保机构经营情况和风险 状况的监测、分析、评估和预警,全面揭示风险与问题,及时把握行业发展趋势,准确研判 潜在风险,提高监管工作的有效性,不断促进融资性担保行业的健康稳定发展。
附件:融资性担保行业统计报表制度
二〇一〇年九月十五日
附件

本报表制度根据《中华人民共和国统计法》的有关规定制定
《中华人民共和国统计法》第七条规定:国家机关、企业事业单位和其他组织以及个体工商户和个人等统计调查对象,必须依照本法和国家有关规定,真实、准确、完整、及时地提供统计调查所需的资料,不得提供不真实或者不完整的统计资料,不得迟报、拒报统计资料。
《中华人民共和国统计法》第九条规定:统计机构和统计人员对在统计工作中知悉的国家秘密、商业秘密和个人信息,应当予以保密。
目 录
一、总说明
二、报表目录
三、调查表式
(一)省(自治区、直辖市)辖区内融资性担保机构与人员情况(G1 表)
(二)省(自治区、直辖市)辖区内融资性担保机构资产负债情况(G2 表)
(三)省(自治区、直辖市)辖区内融资性担保机构收益情况(G3 表)
(四)省(自治区、直辖市)辖区内担保业务状况(G4 表)
(五)省(自治区、直辖市)辖区内融资性担保机构风险指标(G5 表)
四、主要指标解释
五、附录
一、总 说 明
(一)为全面、准确、及时地掌握融资性担保行业经营活动的基本情况,为国家有关部 门制定行业发展政策、监督管理制度以及指导协调有关监督管理工作提供依据,依照《中华 人民共和国统计法》的规定,根据国家统计局有关制度要求,特制定本统计报表制度。
(二)本统计报表制度经融资性担保业务监管部际联席会议审议通过,是对各省、自治区、直辖市融资性担保机构监管部门统计调查的总体要求,由中国银行业监督管理委员会牵头组织实施。各地监管部门应建立健全本辖区融资性担保行业的统计制度,按照全国统一规定的统计范围、计算方法、统计口径,认真组织实施本辖区相关统计工作,按时完成报送。
(三)融资性担保行业的全部年报均由各省、自治区、直辖市融资性担保机构监管部门 负责填报,调查方法为全面调查。各地监管部门应对所填报统计报表的完整性、及时性以及 数据来源的真实性负责。
(四)对于报表体系中 G1 表,各省、自治区、直辖市融资性担保机构监管部门应以本省(区、市)登记注册的融资性担保机构(含省(区、市)外融资性担保法人机构在本省(区、 市)设立的分支机构,但不含本省(区、市)融资性担保法人机构在省(区、市)外设立的分支机构)为统计对象进行全面调查和汇总填报。对于报表体系中 G2 表、G3 表、G4 表、G5 表,各监管部门应以本省(区、市)登记注册的融资性担保法人机构及合伙制企业为统计对象进行全面调查和汇总填报(本省(区、市)融资性担保法人机构在省(区、市)外设立的分公司的有关情况需汇总至总公司统一填报)。
(五)本统计报表制度由融资性担保机构与人员情况、融资性担保机构财务状况、担保 业务及机构风险状况等指标内容构成,统计范围为各省、自治区、直辖市融资性担保机构监 管部门监管的全部融资性担保机构。
(六)各省、自治区、直辖市融资性担保机构监管部门汇总辖区内融资性担保机构填报 的有关数据后,于年后 2 月 15 日前将年报以书面形式报送融资性担保业务监管部际联席会议办公室,同时将年报的电子文档通过当地银监局经银监会内网转报融资性担保业务监管部 际联席会议办公室。
(七)本统计报表制度由融资性担保业务监管部际联席会议办公室统一布置、解释。

三、调查表式
(一)省(自治区、直辖市)辖区内
融资性担保机构与人员情况表 号:G1 表
制表机关:中国银行业监督管理委员会批准机关:国家统计局
批准文号:国统制[2010]97 号数据单位:家、人
填报单位:

填报说明:
1.本表由各省、自治区、直辖市融资性担保机构监管部门填报。
2.本表统计范围为本省(区、市)登记注册的融资性担保机构(含省(区、市)外融资性担保法
人机构在本省(区、市)设立的分支机构,但不含本省(区、市)融资性担保法人机构在省(区、市)外设立的分支机构)。
3.本报表为年报,报送时间为年后 2 月 15 日前。
(二)省(自治区、直辖市)辖区内融资性担保机构资产负债情况
表 号:G2 表
制表机关:中国银行业监督管理委员会批准机关:国家统计局
批准文号:国统制[2010]97 号数据单位:万元
填报单位:

填报说明:
1.本表由各省、自治区、直辖市融资性担保机构监管部门填报。
2.本表统计范围:本省(区、市)登记注册的融资性担保法人机构及合伙制企业为统计对象全部汇总填报(本省(区、市)融资性担保法人机构在省(区、市)外设立的分支机构的有关情况需汇总至法人机构统一填报)。
3.本报表为年报,报送时间为年后 2 月 15 日前。
4.填列的金额按四舍五入保留整数。
(三)省(自治区、直辖市)辖区内融资性担保机构收益情况
表 号:G3 表
制表机关:中国银行业监督管理委员会批准机关:国家统计局
批准文号:国统制[2010]97 号数据单位:万元

填报说明:
1.本表由各省、自治区、直辖市融资性担保机构监管部门填报。
2.本表统计范围:本省(区、市)登记注册的融资性担保法人机构及合伙制企业为统计对象全部汇总填报(本省(区、市)融资性担保法人机构在省(区、市)外设立的分支机构的有关情况需汇总至法人机构统一填报)。
3.本报表为年报,报送时间为年后 2 月 15 日前。
4.外币数据须按报告期末最后一天国家外汇管理局公布的基准汇价折合为人民币数据进行汇总。
5.填列的金额按四舍五入保留整数。
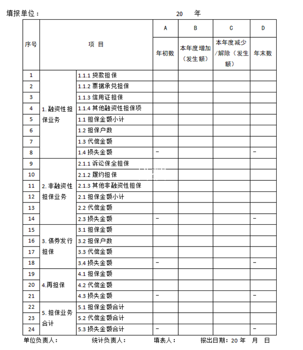
(四)省(自治区、直辖市)辖区内担保业务状况
表 号:G4 表
制表机关:中国银行业监督管理委员会批准机关:国家统计局
批准文号:国统制[2010]97 号数据单位:万元

填报说明:
1.本表由各省、自治区、直辖市融资性担保机构监管部门填报。
2.本表统计范围:本省(区、市)登记注册的融资性担保法人机构及合伙制企业为统计对象全部汇总填报(本省(区、市)融资性担保法人机构在省(区、市)外设立的分支机构的有关情况需汇总至法人机构统一填报)。
3.本报表为年报,报送时间为年后 2 月 15 日前。
4.外币数据须按报告期末最后一天国家外汇管理局公布的基准汇价折合为人民币数据进行汇总。
5.填列的金额按四舍五入保留整数。
6.报表中划横线部分不需填列。
(五)省(自治区、直辖市)辖区内融资性担保机构风险指标
表 号:G5 表
制表机关:中国银行业监督管理委员会批准机关:国家统计局
批准文号:国统制[2010]97 号数据单位:万元、%

填报说明:
1.本表由各省、自治区、直辖市融资性担保机构监管部门填报。
2.本表统计范围:本省(区、市)登记注册的融资性担保法人机构及合伙制企业为统计对象全部汇总填报(本省(区、市)融资性担保法人机构在省(区、市)外设立的分支机构的有关情况需汇总至法人机构统一填报)。
3.本报表为年报,报送时间为年后 2 月 15 日前。
4.外币数据须按报告期末最后一天国家外汇管理局公布的基准汇价折合为人民币数据进行汇总。
5.填列的金额按四舍五入保留整数,百分比保留两位小数。
报表中划横线部分不需填列。
四、主要指标解释
1.非公司制融资性担保机构,是指除公司制以外的其他融资性担保机构,包含事业单位、 社会团体、合伙制企业等(以下各表同)。在填列 G1 表非公司制法人机构数量时,将一个合伙制企业视同为一个非公司制法人单位进行统计。
2.本省(区、市)融资性担保机构数量,是指年末本省(区、市)融资性担保法人机构
(含视同为非公司制法人的合伙制企业)和分支机构的汇总数量。其中,已开展再担保业务 的是指经监管部门批准可开展再担保业务的年末本省(区、市)融资性担保法人机构(含视 同为非公司制法人的合伙制企业)的数量;在县(市)登记机关登记的是指在县(市)工商 管理部门或民政管理部门登记注册的年末本省(区、市)融资性担保法人机构(含视同为非 公司制法人的合伙制企业)的数量。
3.国有控股的法人机构数量,是指各级政府及国有企业的全资和控股(含绝对控股和相对控股)的年末本省(区、市)融资性担保法人机构(含视同为非公司制法人的合伙制企 业)的数量。
4.分支机构数量,是指年末已从监管部门取得经营许可证的本省(区、市)融资性担保分支机构的数量,含本省(区、市)融资性担保法人机构在本省(区、市)设立的分支机构数量、外省(区、市)融资性担保法人机构在本省(区、市)设立的分支机构的数量,但不含本省(区、市)融资性担保法人机构在本省(区、市)外设立的分支机构的数量。其中, 跨省(区、市)在本省(区、市)设立的,是指外省(区、市)融资性担保法人机构在本省
(区、市)设立的分支机构汇总数量。
5.本省(区、市)融资性担保机构的从业人数,是指年末本省(区、市)所有融资性担保机构全部在职员工(含正式员工、合同员工和一年期以上临时人员,不含短期临时人员) 人数。其中,按学历划分的研究生,是指年末本省(区、市)融资性担保机构已取得硕士研究生和博士研究生学历或同等学位的从业人数。
6.货币资金,统计口径包括现金、银行存款、其他货币资金。
7.存出保证金,是指融资性担保机构与银行业金融机构等债权人协议约定,存入指定账户,在担保责任解除之前不得动用的专项资金,包括存出担保保证金和存出分担保保证金。
8.债权投资,是指各类债权性质投资的可收回金额,包含对国债、金融债券及大型企业债务工具等的各种期限的投资,不含委托贷款。计算时应根据各类债权投资的分类,分别 计算。对于分类为公允价值计量且其变动计入当期损益的金融资产和可供出售金融资产,按 公允价值填列;对于分类为贷款和应收款项、持有至到期投资,按摊余成本填列。
9.其他投资,是指除上述债权投资以外的股权投资、房地产投资、基金投资、信托产品投资等,以及委托贷款。计算时应根据其分类,分别计算。对于分类为公允价值计量且其 变动计入当期损益的金融资产和可供出售金融资产,按公允价值填列;对于委托贷款,按摊 余成本填列。
10.固定资产,是指固定资产原价减累计折旧,再减固定资产减值准备,所得出的数额。
11.抵债资产,是指融资性担保公司代偿后收回的抵债资产的期末可收回金额。计算时 根据抵债资产期末余额减去跌价准备期末余额后的金额填列。
12.应收账款,是指融资性担保机构应收的各种款项的净额。计算时根据统计对象的资 产负债表“应收款项”项目汇总填列。其中,期限在 2 年以上(含)的应收代偿款,根据“应收代偿款”科目中应收期限在 2 年以上(含)的期末余额,减去对应已计提的坏账准备后的金额填列;其他应收款,根据“其他应收款”科目的期末余额,减去对应已计提的坏账准备 后的金额填列。
13.借款,统计口径包括短期借款和长期借款。
14.应付款项,是指融资性担保机构期末应付未付其他单位或个人的各种款项,应根据 应付分担保账款、预收担保费、应付股利、其他应付款等项目的期末余额合计填列。
15.存入保证金,统计口径包括存入担保保证金和存入分担保保证金。
16.预计负债,是指融资性担保机构根据或有事项等相关准则确认的各项预计负债,统 计口径包括对外提供担保、未决诉讼、重组义务、亏损性合同以及固定资产弃置义务等产生 的预计负债。
17.未到期责任准备金,是指融资性担保机构担保责任未解除时,为承担未到期责任而 提取的准备金。统计口径包括融资性担保机构提取的原担保合同未到期责任准备金以及提取 的再担保合同分保未到期责任准备金。
18.担保赔偿准备金,是指融资担保机构按有关规定提取的担保赔偿准备金。统计口径 包括融资性担保机构提取的原担保合同担保赔偿准备金以及提取的再担保合同担保赔偿准 备金。
19.净资产,是指资产负债表所有者权益合计。其中,实收资本是指融资性担保机构接 受投资者投入融资性担保机构的实收资本,统计口径不含融资性担保机构收到投资者超过其 在注册资本或股本中所占份额的部分;一般风险准备是指融资性担保机构按规定从净利润中 提取的一般风险准备。
20.担保业务收入,是指融资性担保机构有关担保业务所取得的收入总额,包括担保费 收入、手续费收入、评审费收入、追偿收入等。其中,融资性担保费收入是指,融资性担保 机构承担融资性担保风险而按委托融资性担保合同、融资性分担保合同规定向被担保人收取 的款项,包括融资性担保费和融资性分担保费收入。
21.担保业务成本,是指融资性担保机构担保业务发生的实际成本,包括担保赔偿支出、 分担保费支出、手续费支出、营业税金及附加等。其中,融资性担保赔偿支出是指,融资性担保机构融资性担保代偿后净损失的支出;融资性分担保费支出,是指融资性担保机构分出融资性分担保业务向分担保单位支付的分担保费;营业税金及附加是指,融资性担保机构日常活动应负担的税金及附加,所括营业税、城市维护建设税、土地增值税和教育费附加等。
22.利息净收入,是指融资性担保机构取得的利息净收入。本指标应根据利息收入、利 息支出科目的发生额分析填列;如果利息净支出,前加“-”号填列。
23.其他业务利润,是指融资性担保机构除担保业务以外取得的收入,减去所发生的相 关成本、费用,以及相关税金及附加等的支出后的余额。本指标应根据其他业务收入、其他 业务支出科目的发生额分析填列。
24.业务及管理费,是指融资性担保机构在业务经营及管理工作中发生的各项费用。本 指标应根据业务及管理费科目的发生额分析填列。
25.投资收益,是指融资性担保机构以各种方式对外投资所取得的收益。本指标应根据 投资收益科目的发生额分析填列;如为投资损失,前加“-”号填列。
26.营业外净收入,是指融资性担保机构发生的与其担保业务无直接关系的各项收入的净额。本指标应根据营业外收入和营业外支出科目的发生额分析填列;如为营业外净亏损, 前加“-”号填列。
27.资产减值损失,是指融资性担保机构发生的应计入损益的各项资产减值损失。本指 标应根据资产减值科目的发生额分析填列;如为资产价值回升而转回的金额,前加“-”号 填列。
28.所得税,是指融资性担保机构按规定从本期损益中减去的所得税。本指标应根据所 得税科目的发生额分析填列。
29.净利润,是指融资性担保机构实现的净利润;如为净亏损,前加“-”号填列。
30.融资性担保业务,是指融资性担保机构与银行业金融机构等债权人约定,当被担保人不履行对债权人负有的融资性债务时,由担保人依法承担合同约定的担保责任的业务。 G4 表主栏融资性担保业务项目统计口径包含贷款担保、票据承兑担保、贸易融资担保、项目融资担保、信用证担保及其他融资性担保业务,但不包含债券担保和再担保业务部分。其 中,票据承兑担保是指客户开出商业票据时,融资性担保机构就客户按期偿债能力向债权人 提供的担保;信用证担保是指客户向银行申请开立信用证时,融资性担保机构就客户依约偿 债能力向银行提供的担保;贸易融资担保是指贸易商向银行业金融机构申请与贸易结算相关 的短期融资时,如进口押汇、出口押汇、打包放款、保理融资等,融资性担保机构就贸易商 依约偿债能力向银行业金融机构提供的担保;项目融资是指客户以特定项目的预期收益及资 产、权益的处置作为还款来源而向银行业金融机构申请融资时,融资性担保机构就客户依约 偿债能力向银行业金融机构提供的担保。G4 表中其他融资性担保项是指除贷款担保、票据承兑担保、信用证担保以外的贸易融资担保、项目融资担保及经监管部门批准的其他融资性 担保业务。
31.担保金额,年初数、年末数,分别指年初担保余额、年末在保余额;本年度增加一 栏填列本年度按逐笔业务统计累计增加的担保金额;本年度减少/解除一栏填列本年度按逐笔业务统计累计解除的担保金额。
32.代偿金额,年初数及年末数,分别指年初及年末的余数;在本年增加一栏中填列本 年累计新增数量,在本年减少一栏中填列已代偿但本年累计追偿收回的数量。
33.损失金额,年初数及年末数,分别指年初及年末的余数;在本年增加一栏中填列本 年累计损失(损失是指有诉讼判决书或仲裁书和强制执行书,或者其他足以证明损失已形成 的证据,证明代偿已无法收回)新增数量,在本年减少一栏中填列原已确认为损失但本年累 计追偿收回的数量。
34.非融资性担保业务,是指除前述融资性担保业务和债券担保、再担保以外的其他担 保业务。非融资担保业务项目统计口径包含诉讼保全担保、履约担保及经监管部门批准的其 他非融资性担保业务,不包含对非融资担保业务的再担保业务。
35.流动性资产,统计口径包括:现金,三个月内到期的银行存款和其他货币资金,三个月内到期的各项应收款,三个月内到期的债权投资,在二级市场上可随时变现的证券投资, 三个月内到期的委托贷款和委托投资,其他三个月内到期的可变现资产(扣除其中的不良资产)。
36.流动性负债,统计口径包括:三个月内到期的借款,三个月内到期的各项应付款, 三个月内到期的应付债券,三个月内到期的存入保证金,三个月内到期的预提费用,其他三个月内到期的负债。
37.流动性比率,其计算公式:流动性比率=流动性资产/流动性负债×100。
38.融资性担保放大倍数,其计算公式:融资性担保放大倍数=融资性担保责任余额/ 净资产×100。本项融资性担保责任余额在是指融资性担保业务年末在保余额,即融资性担保金额小计的年末数(G4 表_[1.1D])、债券发行担保金额的年末数(G4 表_[3.1D])等项之和。
39.担保代偿率,其计算公式:担保代偿率=本年度累计担保代偿额/本年度累计解除的担保额×100。
40.融资性担保代偿率,其计算公式:融资性担保代偿率=本年度累计融资性担保代偿 额/本年度累计解除的融资性担保额×100。
41.代偿回收率,其计算公式:代偿回收率=本年度累计代偿回收额/(年初担保代偿余额+本年度累计担保代偿额)×100。其中本年度累计代偿回收额是指融资性担保机构以 现金或其他抵债资产的方式在本年度里累计收回的担保代偿额。
42.融资性担保代偿回收率,其计算公式:融资性担保代偿回收率=本年度累计融资性担保代偿回收额/(年初融资性担保代偿余额+本年度累计融资性担保代偿额)×100。其中 本年度累计融资性担保代偿回收额是指融资性担保机构以现金或其他抵债资产的方式在本 年度里累计收回的融资性担保代偿额。
43.担保损失率,其计算公式:担保损失率=本年度累计担保损失额/本年度累计解除的担保额×100。其中本年度累计担保损失额是指融资性担保机构本年度有确凿证据(指有 诉讼判决书或仲裁书和强制执行书证明,以及其他足以证明损失已形成的证据)表明已无法 收回的担保代偿的损失净额(即本年度累计增加的担保损失金额减去本年度累计减少的担保 损失金额)。
44.融资性担保损失率,其计算公式:融资性担保损失率=本年度累计融资性担保损失 额/本年度累计解除的融资性担保额×100。其中本年度累计融资性担保损失额是指融资性担 保机构有确凿证据(指有诉讼判决书或仲裁书和强制执行书证明,以及其他足以证明损失已 形成的证据)表明已无法收回的本年度融资性担保代偿的损失净额(即本年度累计增加的融 资性担保损失金额减去本年度累计减少的融资性担保损失金额)。
45.拨备覆盖率,其计算公式:拨备覆盖率=担保准备金/担保代偿余额×100。其中, 担保准备金为未到期责任准备、担保赔偿准备与一般风险准备等项的年末余额之和;担保代偿余额为担保业务代偿金额合计的年末数(G4 表_[5.2D])。
五、附 录
1.G1 表有关项目的核对关系:〔A〕+〔B〕=〔C〕,〔1.1〕+〔1.2〕=〔1.〕,〔1.1.1〕
+〔1.1.2〕+〔1.1.3〕+〔1.1.4〕=〔1.1〕,〔2.1〕+〔2.2〕+〔2.3〕=〔2.〕。2.G2 表有关项目的核对关系:〔A〕+〔B〕=〔C〕,〔1.〕-〔2.〕=〔3.〕。
3.G3 表有关项目的核对关系:〔1.〕-〔2.〕=〔3.〕,〔3.〕+〔4.〕+〔5.〕-〔6.〕
+〔7.〕=〔8.〕,〔8.〕+〔9.〕-〔10.〕-〔11.〕=〔12.〕,〔A〕+〔B〕=〔C〕。
4.G4 表有关项目的核对关系:〔1.1.1〕+〔1.1.2〕+〔1.1.3〕+〔1.1.4〕=〔1.1〕,
〔2.1.1〕+〔2.1.2〕+〔2.1.3〕=〔2.1〕,〔1.1〕+〔2.1〕+〔3.1〕+〔4.1〕=〔5.1〕,
〔1.3〕+〔2.2〕+〔3.3〕+〔4.2〕=〔5.2〕,〔1.4〕+〔2.3〕+〔3.4〕+〔4.3〕=〔5.3〕,
〔A〕+〔B〕-〔C〕=〔D〕。